Generators EU EU7000 EU7000ISN AT EEJD-1000001-1199999 CYLINDER - Cache Honda

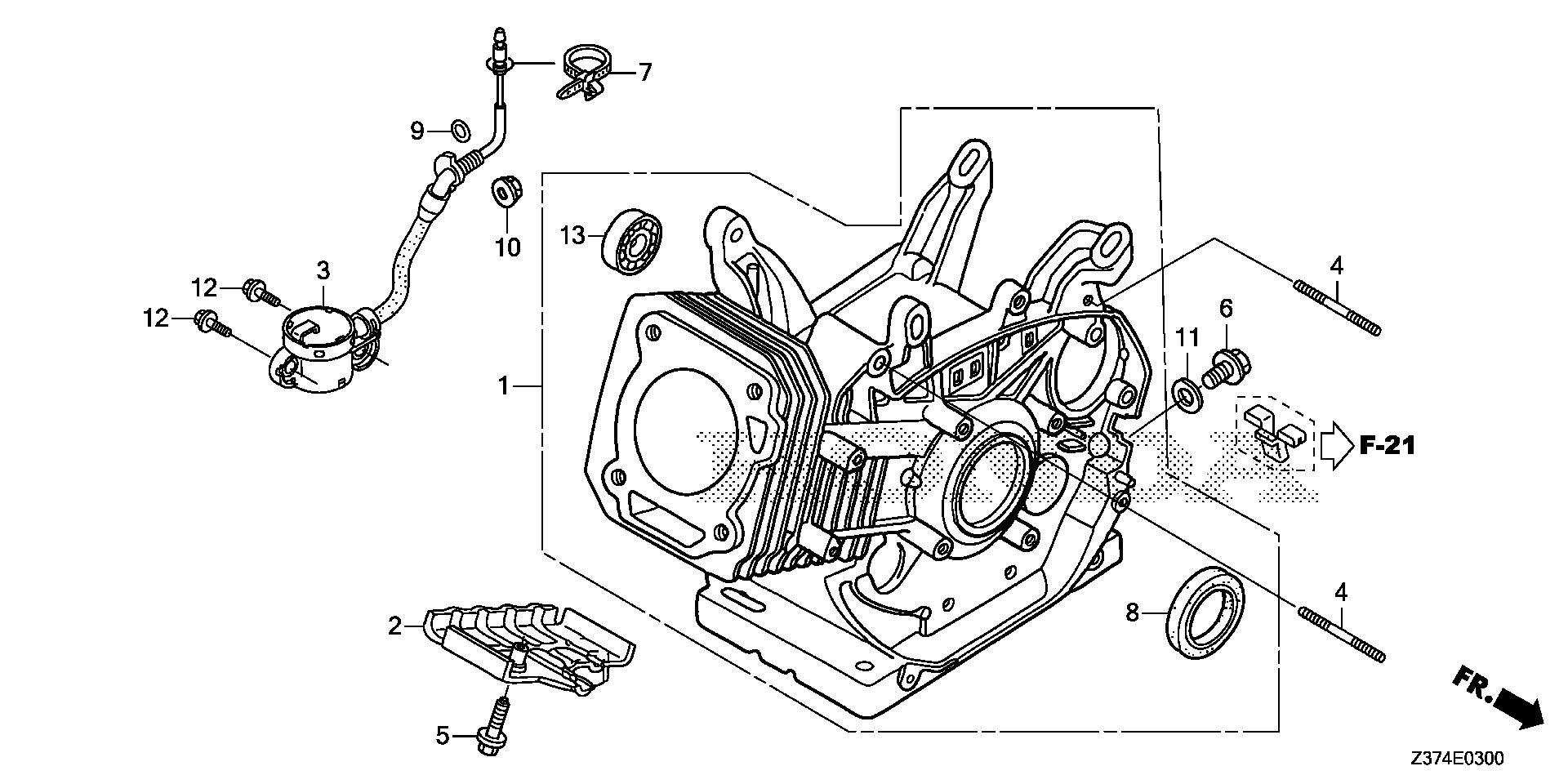
Ref No
Part Number
Description
Serial Range
Qty
Price

Ref No
1
Part Number
12000-ZF6-Q20
Description
CYLINDER ASSY.
Serial Range
1000001 - 1263009

Ref No
1
Part Number
12000-ZF6-Q21
Description
CYLINDER ASSY.
Serial Range
1263010 - 9999999
Qty
Price
$153.84

Ref No
2
Part Number
19645-Z11-000
Description
SHROUD, ENGINE
Serial Range
1263010 - 9999999
Qty
Price
$11.84

Ref No
3
Part Number
35480-ZF6-003
Description
SWITCH ASSY., OIL LEVEL
Serial Range
1000001 - 9999999
Qty
Price
$66.40

Ref No
4
Part Number
90045-ZG1-750
Description
BOLT, STUD (6X30)
Serial Range
1000001 - 9999999
Qty
Price
$3.68

Ref No
5
Part Number
90121-952-000
Description
BOLT, FLANGE (6X25) (CT200)
Serial Range
1000001 - 9999999
Qty
Price
$2.74

Ref No
6
Part Number
90131-896-650
Description
BOLT, DRAIN PLUG (12X15)
Serial Range
1000001 - 9999999

Ref No
7
Part Number
90674-ZV1-003
Description
BAND, CABLE
Serial Range
1000001 - 9999999
Qty
Price
$3.92

Ref No
8
Part Number
91201-Z1C-003
Description
OIL SEAL (35X52X8) (NOK)
Serial Range
1000001 - 9999999
Qty
Price
$10.22

Ref No
9
Part Number
91353-671-003
Description
O-RING (13.5X1.5) (ARAI)
Serial Range
1000001 - 9999999
Qty
Price
$3.50

Ref No
10
Part Number
94050-10000
Description
NUT, FLANGE (10MM)
Serial Range
1000001 - 1006365

Ref No
10
Part Number
94050-10080
Description
NUT, FLANGE (10MM)
Serial Range
1006366 - 9999999
Qty
Price
$4.74

Ref No
11
Part Number
94109-12000
Description
WASHER, DRAIN PLUG (12MM)
Serial Range
1006366 - 9999999
Qty
Price
$1.50

Ref No
12
Part Number
95701-06012-00
Description
BOLT, FLANGE (6X12)
Serial Range
1000001 - 1006365
Qty
Price
$1.98

Ref No
12
Part Number
95701-06012-08
Description
BOLT, FLANGE (6X12)
Serial Range
1006366 - 9999999
Qty
Price
$2.04

Ref No
13
Part Number
96100-62020-00
Description
BEARING, RADIAL BALL (6202)
Serial Range
1000001 - 9999999